Engineering Services

Engineering design is a broad area, so we’ve given some examples below of the types of project we can help you with.  If you’re unsure whether your requirements are covered, get in touch with us and we can talk it through.  We pride ourselves on bringing the combination of creativity and engineering know-how required to make projects a reality.

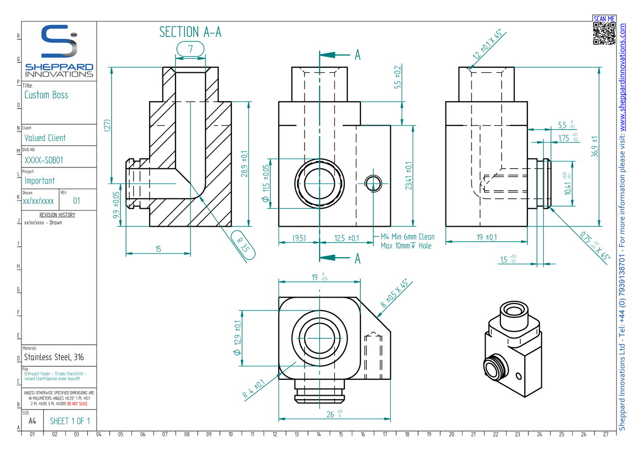
All our designs can be supplied with accurate, clear technical drawings industry standard drawings. 

Engineering & mechanical design

We’re Solid Edge CAD software experts with years of experience designing everything from specialist equipment for some of the biggest names in the automotive, motor racing and aerospace industries to custom jigs for small companies who need to streamline their processes whilst maintaining quality and consistency.

3D measured building scanning

Whether it’s getting high-accuracy measurements of the space a machine or rig needs to fit into, scanning an entire building quickly for workshop or access planning, or checking a building site has been levelled to within specific tolerances, 3D measured building scanning provides a faster and more detailed set of measurements than traditional geosurveying.

Comprehensive project management

Not sure how to go about getting a custom machine manufactured, or just don’t have the time? We can also project manage turning our designs into the real thing. We can talk to your preferred suppliers or recommend companies we’ve worked with for years and know will do justice to our designs.

Other services

New product launches, new industry standards and new technological developments can all result in new equipment being required to make processes as efficient and consistent as possible.  With our experience working with a range of industries in all of these scenarios, we can design equipment to fit your needs and, if you’re looking for a turnkey solution, project manage the manufacture of the design.

Pneumatic systems use pressurised air or gases as a source of power, so all connections need to be sealed perfectly and the components need to be able to stand up to the pressure.  We’ve designed with parts from companies like Camozzi, Bonomi, Rubinetterie Bresciane, Valpres, and Valbia for years to ensure the equipment we design can work efficiently, effectively and reliably with minimum maintenance.

Many sectors, from food and beverage to automotive and aerospace, put strict cleanliness requirements on supplied components and machinery.  With expert knowledge in designing equipment to meet the tightest standards, we can design equipment to get your parts to the levels of cleanliness required.

Using our CAD-modelling expertise, we can design mezzanine floors, steps, access ladders, access gantries, footways and safety rail systems customised to your building and usage, with all the information required by a structural engineer to complete their calculations.

We’ve worked with internal and external environments and a range of coatings and finishes, including galvanised, paint and powder-coated.

We can design specialist vessels, tanks and sinks to fit tight spaces or incorporate complex internal geometry like weirs or baffles, meaning you don’t have to compromise your efficiency with less than ideal off the shelf products. We can work in a range of finishes depending on the industry standards you need to meet and materials you’ll be handling.

Sheet metal construction can be a very cost-effective way of fabricating precise, strong parts in complex shapes.  Our experience designing everything from full machine frames to simple holding and positioning jigs using folded laser-cut sheet metal parts means we can ensure that your sheet metal fabrications are made correctly first time and with minimal wastage.

Most manufacturing industries need to work with filters at some point, whether that’s cleaning air to meet environmental regulations, filtering liquids used in a product, or testing a filter that forms part of a product, such as in an engine.

We’ve produced custom designs for applications such as:

  • silo filtration with back pulse cleaning, in which a stand-alone unit cleans air to stop contamination leaving a building;
  • mounting High Efficiency Particulate Air (HEPA) and pharmaceutical Clean-in-Place (CIP) filters in position for use;
  • holding patch filters in place for testing purposes; and
  • housings for cartridge filters for cleaning liquids.

Jigs are custom-made devices designed to position, hold and move components.  They’re ideal for speeding up and maintaining consistency in precision cutting, mounting, attachment and other repetitive tasks with high accuracy requirements, helping you work efficiently whilst delivering the quality your customers need.

We offer milling & cutting jigs, welding jigs, in process jigs and assembly jigs and can use our expertise in sheet metal to design for cost-effective machining.

Want some more ideas?

A template jig is a plate with holes and slots for tasks like drilling and placing welds or studs, and simple contours to guide hand or power tools for quick, accurate and consistent manufacture.

Plate jigs are similar to template jigs, with the addition of drill bushes to reduce wear and maintain accuracy for longer.

A channel jig is named for the channel-like cross-section and uses mechanical clamping methods like pins or screw clamps to hold a component in place whilst drilling or fixing placement is guided by holes in the jig.

A diameter jig is designed to hold a rounded component in place whilst guiding drilling or other machining processes.

Leaf jigs are named for the hinged “leaf” of metal which can be swung open or closed to swap out the component being worked on more efficiently.

Ring jigs are designed to clamp circular flanged components in place where the ridges or rims would otherwise make holding in place difficult, with guide holes or bushes for drilling. 

As you’d expect from the name, a box jig holds a component within a box-like construction.  This means it can be drilled or machined from different angles with minimal repositioning effort.

A testing jig holds a component in the correct position to make testing and analysis easier and more consistent.

Test rigs are used to measure performance or other aspects of things like engines, filters, and components.  They often need to meet exacting industry standards, with variations from country to country.  Our people have experience designing to a wide range of standards, including ASTM, ISO, DIN, BS, DEF STAN, NEMA, RTCA, SAE, and UKAS accreditation, whilst working to the customer’s space and facility limitations.

In Computer-Aided Design, engineers use specialist software to take their designs to the next level and respond flexibly to the demands of the project.  We’re certified at expert level (the highest offered) in the Siemens Solid Edge programme we use, so can quickly generate clear and concise technical drawings and 3D drawings in a range of formats for clients or sub-contractors.  Existing digital drawings can be revised and edited efficiently, allowing changes to be made without starting from scratch, and measurements and other key features can be analysed thoroughly.

If you’ve been operating for a while, you may find yourself needing to make changes to a product or piece of equipment for which the original design documentation has been lost or isn’t up to current industry standards.  When this happens, we can reverse engineer the product or equipment to create a 3D CAD model and generate the documentation you need, and can even use blue light 3D scanning to support this process.  We can also use this model as a base for any changes, holding rigs or other associated items you want us to design.

Our engineering project management services can help you get from conception to real world prototype or product as efficiently and effectively as possible.  We have experience in designing and delivering completed projects to meet customers’ needs whether you are struggling with short turnaround times, have to work with low quantities or need to find suppliers for unusual components.  Our combination of project management and engineering design skills means we can fluidly align all aspects of the project, from the design or engineering work itself to the costing and budgeting and manufacture planning.